Плоские керамические подкладки С-30mm
Плоские керамические подкладки на самоклеющейся ленте, длина 0,6 м
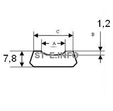
Размеры:
С-30mm
A-12mm
Кол-во в одной коробке 36 метров.
Керамические подкладки используются при автоматической и полуавтоматической сварке в среде защитного газа (MIG/MAG, GMAW), при сварке порошковой проволокой (FCAW), при аргонодуговой сварке (TIG), при сварке под флюсом (SAW)
Подкладка изготавливается из керамического материала, имеющего высокую температуру плавления и представляет собой полосу длиной 0,6 м, состоящую из сегментов, закреплённых на самоклеящейся алюминиевой ленте. Подкладка прикрепляется к свариваемой поверхности и отклеивается после сварки. Для сварки труб и круговых швов на плоскости выпускаются также подкладки в форме сегментов.
Применение подкладок позволяет обеспечить качественную сварку V-образных, X-образных, T-образных стыков в труднодоступных местах.
Использование специальных керамических подкладок для сварки – простой и эффективный метод получения высокого качества сварного шва.
Основные преимущества использования керамических подкладок:
• в результате сварки получается качественный шов, выдерживающий проверку рентгеновским контролем;
• активно поддерживается расплавленный металл шва и формируется качественный обратный валик при сварке корневого прохода;
• за счёт гарантированного проплавления места соединения возможна и достаточна односторонняя сварка;
• увеличивается производительность труда в связи с возможностью применения форсированных режимов сварки;
• корневой и заполняющий шов выполняются за один проход (становятся единой технологической операцией);
• возможна сварка в переменный зазор, в том числе превышающий допустимый;
• станоявтся ненужными трудоёмкие дополнительные технологические процессы: шлифование, выборка, подварка;
