Плоские керамические подкладки С-27mm
Плоские керамические подкладки на самоклеющейся ленте, длина 0,6 м.
цена по запросу
Плоские керамические подкладки на самоклеющейся ленте, длина 0,6 м
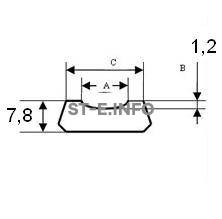
Размеры:
C - 27mm
A - 12mm
Кол-во в одной коробке 36 метров.
| Керамические подкладки используются при автоматической и полуавтоматической сварке в среде защитного газа (MIG/MAG, GMAW), при сварке порошковой проволокой (FCAW), при аргонодуговой сварке (TIG), при сварке под флюсом (SAW) Подкладка изготавливается из керамического материала, имеющего высокую температуру плавления и представляет собой полосу длиной 0,6 м, состоящую из сегментов, закреплённых на самоклеящейся алюминиевой ленте. Подкладка прикрепляется к свариваемой поверхности и отклеивается после сварки. Для сварки труб и круговых швов на плоскости выпускаются также подкладки в форме сегментов. Применение подкладок позволяет обеспечить качественную сварку V-образных, X-образных, T-образных стыков в труднодоступных местах. Использование специальных керамических подкладок для сварки – простой и эффективный метод получения высокого качества сварного шва. Основные преимущества использования керамических подкладок: • в результате сварки получается качественный шов, выдерживающий проверку рентгеновским контролем; • активно поддерживается расплавленный металл шва и формируется качественный обратный валик при сварке корневого прохода; • за счёт гарантированного проплавления места соединения возможна и достаточна односторонняя сварка; • увеличивается производительность труда в связи с возможностью применения форсированных режимов сварки; • корневой и заполняющий шов выполняются за один проход (становятся единой технологической операцией); • возможна сварка в переменный зазор, в том числе превышающий допустимый; • станоявтся ненужными трудоёмкие дополнительные технологические процессы: шлифование, выборка, подварка; |
||||
Рекомендуемые товары
