Главная » Сварочное оборудование » Станки для обработки и чистки металла » Станок для оребрения труб методом навивки

Станок для оребрения труб методом навивки

цена по запросу
Купить

Станок для оребрения труб методом навивки предназначен для производства основных типов оребрения (G, L, LL, KL).

Этот станок оснащен высокоскоростным прокатным механизмом, который обеспечивает одновременное вращение и подачу труб. Алюминиевая лента поступает на машину с устройства подачи полосы, размещенного ниже устройства для подачи труб в станок.

Каждый станок настраивается в соответствии с конкретными производственными требованиями конечного пользователя.

Станок для оребрения труб представляет собой компактный скоростной прокатный стан, синхронизированный с вращением и подачей трубы.

Благодаря быстрозаменяемым неподвижным входным и выходным опорам обеспечивается вращение трубы с заданной скоростью.

Технология навивки труб представляет собой процесс, при котором лента оборачивается вокруг трубы, создавая ребра или спирали на её поверхности. Этот метод используется для увеличения эффективной поверхности теплообмена, улучшения теплопередачи и увеличения прочности трубы.

Применение технологии навивки в различных отраслях, таких как производство теплообменных устройств, конденсаторов, охладителей и других трубчатых систем, позволяет оптимизировать теплоотдачу и теплообмен. Различные типы оребрения (например, G, L, LL, KL) могут быть реализованы с использованием технологии навивки, что позволяет адаптировать процесс под конкретные требования производства.

Этот метод часто применяется в областях, где важны высокая эффективность теплообмена, компактность и оптимизированные характеристики трубных систем.

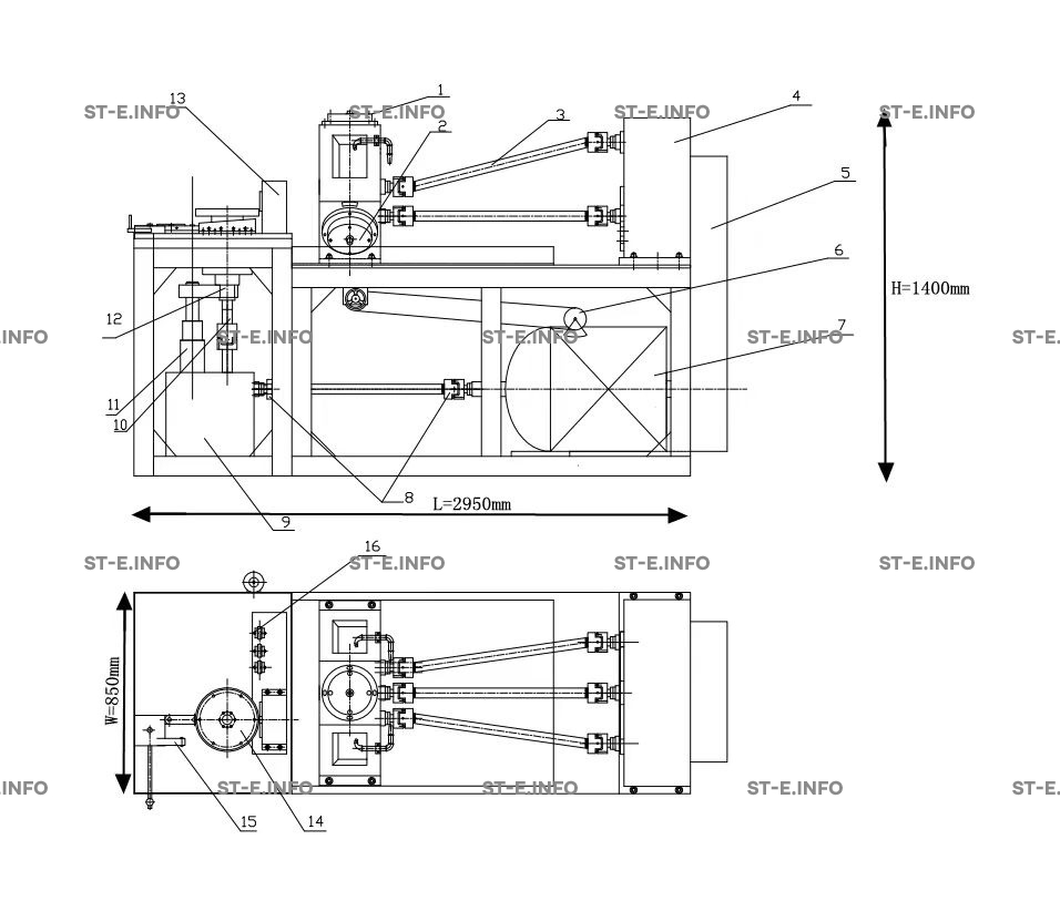
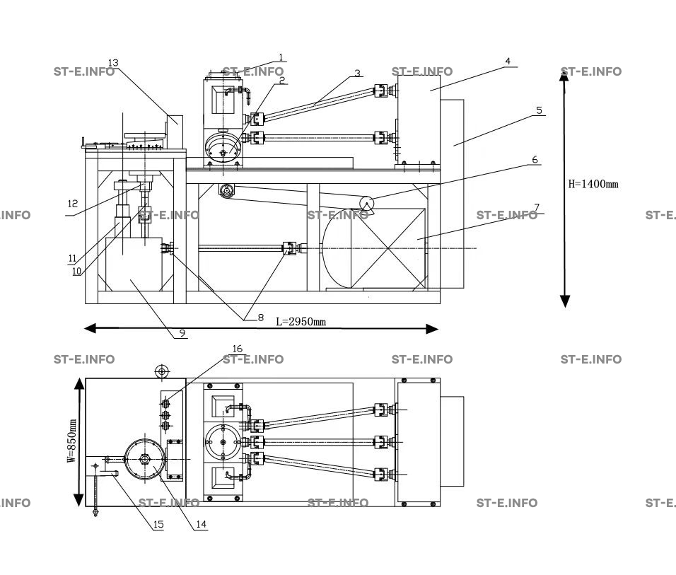
  • Мощность двигателя: 11KВт;
  • Вес станка: 2480 + 340 кг (разматыватель);
  • Внешние размеры (Длина x Ширина x Высота): 2950*850*1400мм;
  • Диаметры обрабатываемой заготовки (мм): 19,05 - 38,1;
  • Максимальная высота ребра (мм): 15,88; Шаг ребра (мм): 2,0-5,0;
  • Толщина ребра (мм): 0,4; В комплект включен один набор лезкий: G и KL;
  • Материал основной трубы: углеродистая сталь, нержавеющая сталь и.т.д.;
  • Материал оребрения: алюминий, медь.

Размер и вес станка в упаковке:

  1. 3020*1750*1900мм, вес 2660 кг
  2. 2250*1800*1490мм, вес 490 кг

Внешний вид и размеры:

Процесс оребрения трубы методом навивки на несущую трубу из алюминиевой или медной ленты выполняется с учетом различных типов оребрения: G, L, LL, KL. Трубы с размерами от 5/8 дюймов (15,88 мм) до 2 дюймов (50,8 мм), высотой ребер от 1/4 дюйма (6,35 мм) до 1 дюйма (25,4 мм) и плотностью оребрения 4-13 ребра на дюйм (FPI) подвергаются данному процессу.

G-тип: Лента прокладывается в канавку на трубе, после чего труба обжимает ленту, формируя ребро. Механическое соединение ленты и трубы обеспечивает надежную фиксацию. Лента обладает высокой теплопроводностью при повышенных температурах.

LL-тип: Характеризуется частичным перекрытием одной части ребра другой. Этот метод является альтернативой накатному оребрению и эффективно защищает трубу от коррозии.

L-тип: Ребро в форме буквы "L" фиксируется на трубе прижимной силой, что улучшает теплопередачу и обеспечивает защиту от коррозии.

KL-тип: Содержит насечки на основании ребра, и в остальном аналогичен L-типу. Сочетание насечек и прижимной силы обеспечивает более прочное соединение ребра с трубой и повышает эффективность теплопередачи.

Видео работы станка:

Видео внешнего вида станка:

Отзывы
К данному товару еще не оставлено ни одного отзыва
Добавить отзыв
Внимание! Поля, помеченные * - обязательны для заполнения
Рекомендуемые товары
Каталог
Товаров:
На сумму:

Ваша корзина пуста

оформить заказ

СПЕЦИАЛЬНОЕ ПРЕДЛОЖЕНИЕу нас Вы можете приобрести:
 
Старая цена:355 руб.330 руб.
 
Старая цена:847 руб.785 руб.
 
Старая цена:250 000 руб.235 000 руб.
 
Старая цена:950 руб.920 руб.
 
Старая цена:850 руб.815 руб.
 
Старая цена:790 руб.710 руб.
 
Старая цена:159 руб.145 руб.
 
Старая цена:282 руб.177 руб.
 
Старая цена:475 руб.337 руб.
 
Старая цена:280 руб.170 руб.
 
Старая цена:475 руб.275 руб.

<

Заводская ул., 1а (Терминал ТК Деловые линии)

+78004448215

e-mail: info@st-e.info

Консультация и предварительный расчет
Данный сайт использует файлы cookie и прочие похожие технологии. В том числе, мы обрабатываем Ваш IP-адрес для определения региона местоположения. Используя данный сайт, вы подтверждаете свое согласие с политикой конфиденциальности сайта.
OK