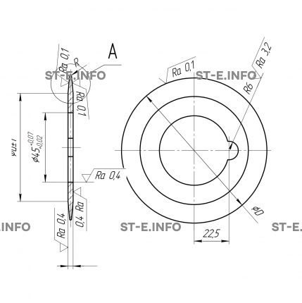
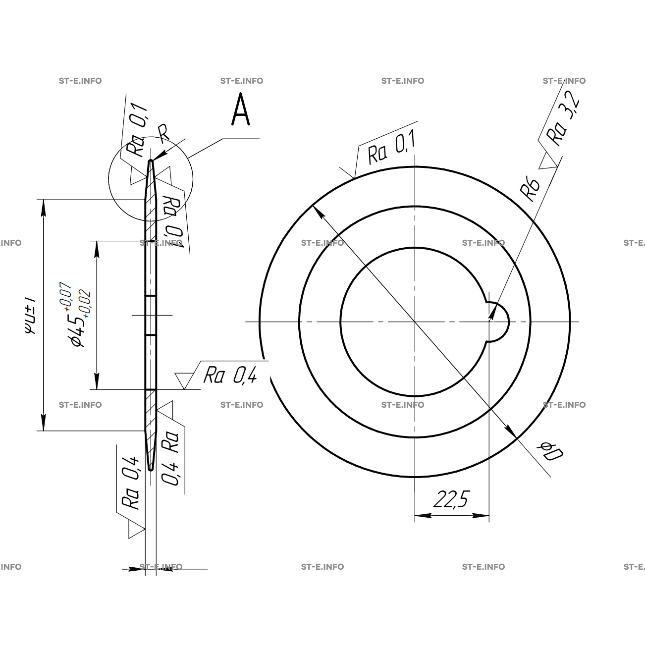
Комплект ножей для стана ХПРТ, шаг 2,3 мм φ.-22
Изображение приведено для справки, фактический размер может отличатся от картинки.
цена по запросу
Минимальное колисчетво для заказа 120шт
Ножи для стана холодной прокатки ребристых труб.
Рекомендуемые товары
