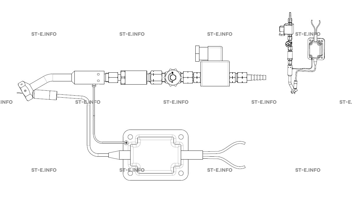
Устройство розжига для машин газовой резки портального и консольного типа
Стандартная конфигурация с кабелем 1,5 метра.
Блок розжига и газовый клапан на AC 220V.
Блок розжига и газовый клапан на AC 220V.
220.
30мм
8мм
цена по запросу
Устройство розжига для машин газовой резки портального и консольного типа обеспечивает поджог струи газа. Автоматическая настройка потока и формы пламени существенно упрощает работу на станке. В Старый Осколе устройство можно заказать и купить в компании «Сварочные технологии». Для этого просто заполните заявку на сайте.

Катушка зажигания дуги и электромагнитный клапан работают на переменном токе 220V.
Для подключения на переменном токе: Pin 1 - L AC; Pin 2 - 0 AC
Рекомендуемые товары
